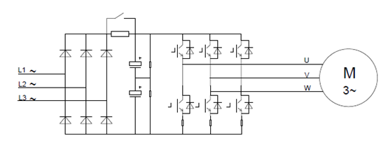
IGBT單管的裝配方式、絕緣要求處理、散熱方式等問題為都比較難處理的,我們提供一種集成電源+功率模組的應用方案,體積小,功能齊全的應用方案。該方案集成IPM、整流橋、母線電壓采樣電路、相電壓采樣電路、電流采樣、預充電路、繼電器輸出、電源電路。
整機圖
控制器基本參數
|
分類 |
技術指標 |
規格參數 |
|
電控 參數 |
功能狀態 |
三相逆變輸出 |
|
高壓輸入電壓范圍 |
AC300V~450V |
|
|
低壓輸入電壓 |
0-10V |
|
|
輸出額定功率 |
1500W |
|
|
驅動方式 |
PWM |
|
|
帶電部分與散熱器絕緣 |
2500Vac |
|
|
冷卻方式 |
自然冷卻 |
|
|
尺寸(長*寬*高) |
137mm*105mm*70mm |
整機拓撲
連接端子定義

|
端子 |
信號 |
信號功能說明 |
信號功能說明 |
|
1 |
W |
電機W相輸出 |
高壓端子
|
|
2 |
V |
電機V相輸出 |
|
|
3 |
U |
電機U相輸出 |
|
|
4 |
L1 |
三相交流電源L1輸入 |
|
|
5 |
L2 |
三相交流電源L2輸入 |
|
|
6 |
L3 |
三相交流電源L3輸入 |
|
|
7 |
接大地端 |
接大地端 |
|
|
1 |
K1 |
繼電器輸出端 |
通訊/繼電器端子 |
|
2 |
K2 |
繼電器輸出端 |
|
|
3 |
485B |
485通訊信號B+ |
|
|
4 |
485A |
485通訊信號A- |
|
|
5 |
A/D |
調速信號輸入+ |
|
|
6 |
GND |
調速信號輸入- |
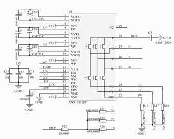
方案使用功率器件參數介紹
XNS10S12FT 規格參數如下:
推薦應用原理:

XNDS5016 規格參數如下:
地點:深圳市龍崗區寶龍街道寶荷大道76號智慧家園2棟B座13樓
電話:0755-89890048
郵箱:service@invsemi.com